MLT-1109 - SMD壓電無源蜂鳴器
1. 測試條件
產品測試條件:溫度:5~35℃, 濕度:45%~85%R.H., 氣壓:860 ~1060hPa。
標準測試條件:溫度:25±3℃, 濕度:60±10%R.H. 氣壓:860 ~1060hPa 。
| 1 | 諧振頻率(Hz) | 4100±500Hz |
| 2 | 工作電壓(Vp-p) | 1~20 Vp-p |
| 3 | 額定電流(mA) | Max.5mA ,at 4.1KHz 50% duty Square Wave 5Vp-p |
| 4 | 輸出音壓(dB)10cm | Min. 75dB,at 4.1KHz 50% duty Square Wave 5Vp-p |
| 5 | 電容量(pF) | 12000±30%pF at 1KHz |
| 6 | 工作溫度(℃) | -20℃~+70℃ |
| 7 | 儲存溫度(℃) | -30℃~+80℃ |
| 8 | 凈重(g) | Approx 0.5g |
| 9 | 環保 | Yes |
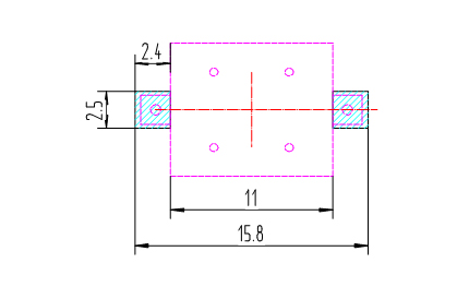
2. 尺寸圖 單位: mm

*基本公差: 除特殊注明外,一般公差為±0.3mm
*外殼材質: 黑色 LCP
3.電性能測試條件
測試裝置

4.頻響曲線

方波5Vp-p占空比 50% 距離10cm測試
5.回流焊條件
5.1 回流焊曲線圖
注意事項: (1) 產品經過回流焊機后,所有電性能要保持在規格書的范圍內。
(2)回流焊的操作溫度一定要在推薦范圍之內。如果超出范圍都有可能影響到產品的性能。
5.2 焊盤位置

6.可靠性測試
在下面任何一項測試后都要符合以下標準,外觀和電性能(除聲壓外)上不能有不良或衰減現象出現,聲壓不能低于規格說明書的最低聲壓的10dB。
6.1 壽命測試
將測試件置于25±10℃的溫度下,輸入額定電壓、占空比為1/2的諧振頻率方波測試96小時。
6.2 高溫測試
將測試件置于+80℃的溫度下存放96小時,取出置于常溫下3小時而后測試。
6.3 低溫測試
將測試件置于-30℃的溫度下存放96小時,取出置于常溫下3小時而后測試。
6.4 濕度測試
將測試件置于溫度+40±3℃,濕度90%~95%的條件下持續48小時,再置于室溫下6小時而后測試。
6.5 溫度沖擊測試
將測試件置于以下溫變條件下:70℃2小時→-20℃2小時(1周期),做完一個周期實驗,過1個小時后再繼續下一次實驗,總測試周期數: 10個周期。
6.6 落地測試
將測試件標準包裝后(包裝盒的3個邊6個面)從1.2米的高度下跌落到厚木板或5厘米厚的硬木板上。
6.7 機械振動測試
按以下條件實驗后再測試:振速:1000次/分;振幅:1.5毫米;時間: 1小時更換一個自由度方向共3個自由度方向。
注意:
需避免無關材料進入產品內,無關材料如:磁性材料、水溶性的材料、腐蝕性的氣體等。因為這些無關材料將會影響產品的電性能。
7.包裝





